

DE Drum Brakes
Electro-Hydraulic Thruster Operated Drum Brakes
According to DIN 15435
Overview
Electro-hydraulic thruster drum brakes are designed for reliable, high-performance stopping and holding of industrial machinery. Built to DIN 15435 standards, these brakes provide a robust, fail-safe spring-applied braking action with smooth electro-hydraulic release. Their maintenance-friendly construction, high repeatability, and long service life make them ideal for demanding material-handling and process-industry applications.
Key Features
✔ DIN 15435-Compliant Design
Engineered and manufactured to meet all relevant dimensional and performance requirements of DIN 15435, ensuring compatibility with global crane and hoisting systems.
✔ Spring-Applied, Electro-Hydraulic Released
Fail-safe braking ensures immediate engagement during power loss. The electro-hydraulic thruster provides smooth, shock-free release with consistent operating performance across a wide temperature range.
✔ High Mechanical Strength
Precision-machined levers, brake shoes, and torque arms provide improved rigidity, minimal deflection, and consistent braking torque over the unit’s lifetime.
✔ High-Performance Brake Liners
Available with various friction materials covering standard, high-temperature, and asbestos-free options. Liners are riveted or bonded and designed for easy replacement.
Optional Features
➤ Stainless Steel Pins
Corrosion-resistant pins ensure extended life in harsh, humid, or chemically aggressive environments.
➤ Brake ON/OFF Switches or Sensors
Position-feedback switches (mechanical, inductive, or proximity sensors) for brake open/closed monitoring and integration with automation systems.
➤ Automatic Wear Adjustment (ASA)
Compensates for brake-liner wear automatically, maintaining constant air gap and braking torque while minimizing maintenance downtime.
➤ Manual Release Lever
Allows manual opening of the brake for maintenance, system alignment, or emergency operation when power is unavailable.
➤ Flame-Proof Thrusters
Specially engineered thrusters for operation in hazardous areas where explosion-prevention standards must be met.
➤ IP65-Rated Thrusters


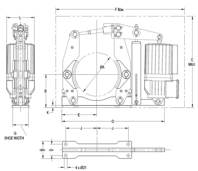
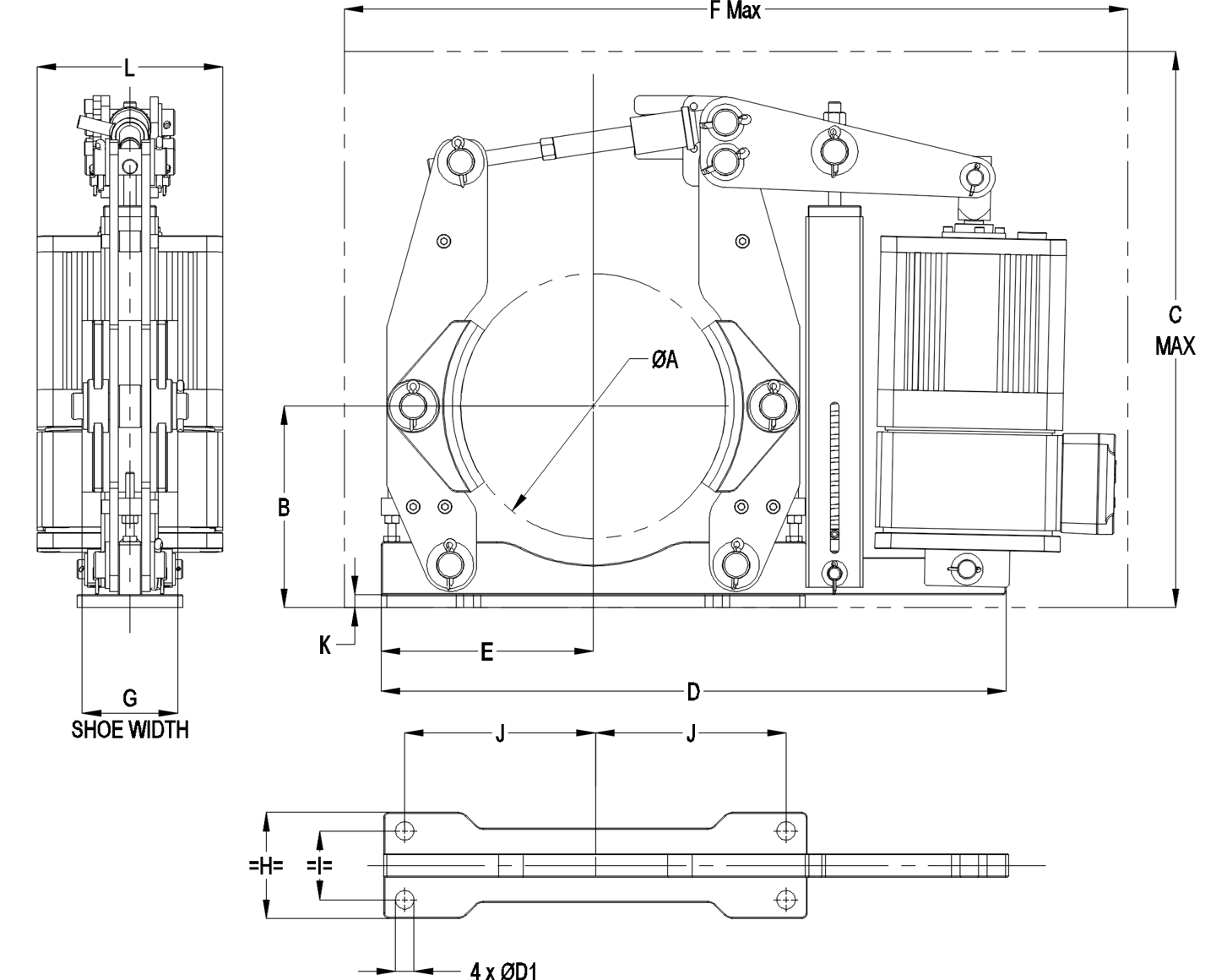
All Dimensions are in mm unless specified
Alterations Reserved
